Produits
First First Client First Office Innovation axé
J&W - Produits
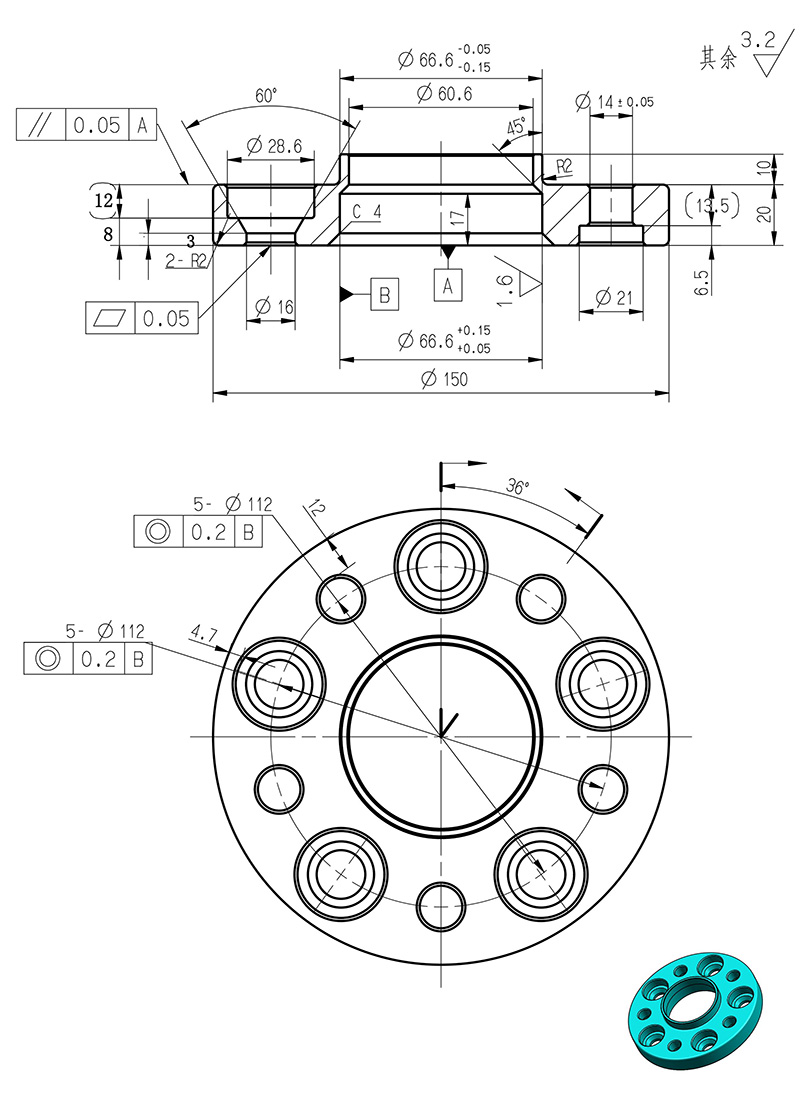
Adaptateur d'entretoises de roue BMW
  • Adaptateur d'entretoises de roue BMWAdaptateur d'entretoises de roue BMW
  • Adaptateur d'entretoises de roue BMWAdaptateur d'entretoises de roue BMW

Adaptateur d'entretoises de roue BMW

Nous J&W Automotive Parts Co., Ltd. Nous avons plus de dix ans d'expérience dans la fabrication d'entretoises de roue et nous possédons trois machines à forger de 800 tonnes et 40 centres d'usinage. Nous invitons les clients nouveaux et existants à nous contacter pour toute demande de renseignements. Nous prenons également en charge l'ODM et pouvons personnaliser les entretoises de roue en fonction de vos besoins.

Pour les adaptateurs d'entretoises de roue BMW, il existe deux types différents d'entretoise de roue, l'une est l'entretoise de roue avec les boulons étendus et l'autre est l'entretoise de roue avec les écrous d'insertion. Pourquoi aimer ça, car c'est jusqu'à l'épaisseur que vous voulez. C'est facile à comprendre, la hauteur de l'écrou d'insertion est d'environ 18 mm, il peut donc être impossible de le mettre dans l'entretoise de roue de 10 mm. Ainsi, pour une épaisseur inférieure à 20 mm, nous ne pouvons produire l'entretoise de roue qu'avec les boulons rallongés, et pour une épaisseur supérieure à 20 mm, nous vous suggérons de choisir le type d'insert, qui sera plus sûr. Et pour BMW, il y a trois pas de filetage différents, M12x1,5, M14x1,5 et M14x1,25, vous devez d'abord le vérifier. Et normalement, le PCD est de 5x112 et le diamètre d'alésage central de 66,6, certains anciens types sont différents, vous devez d'abord vérifier.

Notre usine peut également fabriquer selon les dessins que vous fournissez et nous prenons en charge la personnalisation. Nous proposons deux options de matériaux, 6061 et 7073, et le processus de production par moulage sous pression garantit une résistance élevée et une résistance à la fissuration.

Balises actives:
Catégorie associée
envoyer une demande
Informations de contact
  • Adresse

    No.539 Guangyi Road, ville de Guanhaiwei, Cixi, Ningbo, Zhejiang, Chine

  • Tél

Pour obtenir des demandes de renseignements sur les adaptateurs d'espaceur de roue, les écrous de roue de roue, les boulons de roue de roue ou la liste de prix, veuillez nous laisser votre e-mail et nous serons en contact dans les 24 heures.
X
Nous utilisons des cookies pour vous offrir une meilleure expérience de navigation, analyser le trafic du site et personnaliser le contenu. En utilisant ce site, vous acceptez notre utilisation des cookies. politique de confidentialité
Rejeter Accepter